BOX FOR KOSHER AND HALAL SLAUGHTER
SET CONTAINS:
- Hydraulic-manual or electrohydraulic control
- Solid and compact construction made of hot galvanized steel 7.5 kW hydraulic power supply
- Input wall (between livestock warehouse and box) is controlled pneumatically
- Output couch – stainless steel
MAIN FEATURES:
- Uplifting the head
- Vertical flap to prevent withdrawal of piece and additional pressure from the back
- Rotary system 180 degrees
- Lifting the flap that allows the animal outing
- Moving floor for easy outing
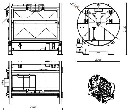
| Product No. |
Type |
Power (bar) |
Power (kW) |
X x Z x Y (mm) |
Weight (kg) |
| U-BGBR |
pneumatic power supply |
6 |
7,5 |
2750 x 2010 x 2450 |
3000 |